CYW-150B,CYW-152B及CYW-153B不锈钢差压表(以下简称仪表)适用于化工、化纤、冶金、电力、核电等工业部门的工艺流程中测量液(气)体介质的差压、流量等参数。仪表结构采用不锈钢制成,其中的测量系统(双波纹管及连接部件)、导压系统(包括接头、导管等)采用特种奥氏体不锈钢制成,具有的耐腐蚀及抗工作环境侵蚀影响。仪表整体结构设计合理、工艺、具有体积小、重量轻、稳定性好、使用、外观新颖、适应性强等。仪表接头的连接形式有平行式(可直接与三阀组连接)和斜式两种,能够适应不同用户的配套安装。
二、产品原理与结构:
不锈钢差压表工作原理:基于感压元件采用两只具有相同刚度的波纹管,因此在同一被测介质下迫使其产生相同的集中力分别作用于活动支架上,由于弹 簧 片两侧在等力矩作用下不产生扰度,故支架还处于原始位置,这样齿轮传动机构也不动作,使指针仍指在零位。
当施加不同压力(一般高压端高于低压端)时,两波纹管作用在活动支架上的力则不相等,使分别产生相应的位移,并带动齿轮传动机构传动并予放大,由指针偏转后指示出两者之间的差压值。
不锈钢差压表,仪表采用双波纹管结构,即两只波纹管分别安装在“工”字型支架两侧的对称位置上。“工”字型支架的上下两端分别为活动端和固定端,中间由弹 簧 片相连接;两只波纹管呈平行状态,分别用导管与表壳上的高低压接头相连接;齿轮传动机构直接安装在支架的固定端,并通过拉杆与支架的活动端相连接;度盘则直接固定在齿轮传动机构上。
三、参数:
1.差压的测量范围、公称工作压力、度等级及接头螺纹尺寸
| 差压测量范围 | 公称工作压力 | 度等级 | 接头螺纹尺寸 | ||
|
0-10 0-16 0-25 0-40 0-60 0-100 |
KPa |
60 100 160 250 400 600 |
KPa | 2.5 | M201.5 NPT1/2 |
|
0-0.16 0-0.25 0-0.4 0-0.6 0-1 0-1.6 0-2.5 |
MPa |
1 1.6 2.5 4 6 10 10 |
MPa | ||
| 零件名称 | 材质牌号(代号) |
| 接头、导管 | 0Cr17Ni12Mo2(316) |
| 波纹管 | 0Cr17Ni14Mo2(316L) |
| 表壳、表盖、表环 | 0Cr18Ni9(304) |
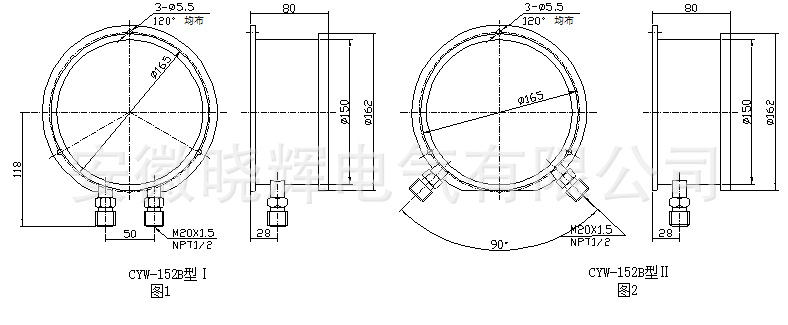
3.外型及安装尺寸:


4.使用环境温度:-40~70℃
5.抗工作环境振动:V.H.3级
6.重量:约1.5kg
7.仪表外壳防护等级:IP54
8.仪表性能符合企业标准Q/YXBM831-1997《不锈钢差压表》
四、产品使用须知:
1、仪表应垂直安装于与测量点保持同一水平的位置上,否则须酌情计入由液位差引起的附加误差。
2、仪表接头上标有“H”的为高压端,标有“L”的为低压端。
3、仪表在测量差压时,其差压值可使用到标度范围上限值的75%以内,系统的大静压值应不过仪表规定的大静压值。
4、按图4所示,安装时应在仪表的高、低压端入口前设置平衡()阀(阀1),并应处于开启位置,待阀2、阀3开启后再将平衡阀关闭。
5、仪表在使用前应仔细核实被测介质对其产生的侵蚀程度,以免使波纹管导致早期腐蚀损坏。
6、仪表在定期维修时,如开启表盖时,宜借助工具进行。
7、仪表在受温度变化而引起示值误差增大并直接影响测量的准确性时,可剪去表壳上的护塞凸台。
图4、

五、产品订货指南;
用户在订购仪表时注明:
1、型号及名称、差压范围、大静压、计量单位、度等级;
2、接头和波纹管材质;
3、接头罗纹尺寸:M20x1.5或NPT1/2;
4、对有要求,如表壳内充液体或其它要求时可协商解决。注:可代用户订制三阀组(图3中阀1-3)
差压表常用规格型号
差压表 CW-154-0.16-1-F,0~0.16MPa
差压表 CW-154-0.16-1-F,0~0.16MPa
六、产品照片:








轴向型产品照片

















