一、概述:
热电偶温度变送器模块、SBWR-2260热电偶温度变送器热电偶温度变送器模块、智能热电偶温度变送器模块、智能温度变送器适用于热电偶和热电阻信号变送。该产品使用24位Σ-△模拟前端,测量的精度;防浪涌、防反接设计,避免了工程应用中的误安装和误操作;软件设计,包括低压监控复位、任务调度优化等功能。
热电偶温度变送器模块、SBWR-2260热电偶温度变送器热电偶温度变送器模块智能热电偶温度变送器模块、智能温度变送器热电偶二线制4~20mA输出变送器可使用USB通讯线进行组态设置,并且设置时无需外接电源。温度范围可通过软件调整。
二、技术参数:
产品型号:SBWR-2260 SBWR-2460
供电电压:5~30V(两线制环路供电)
电流信号:4~20mA
输入信号:PT100/PT1000/CU50/K S R B N E T J分度热电偶
测量精度:0.2%FS,调校可达0.1%FS
工作温度:-20~70℃
1、内置防反接电路,供电接反时输出0mA电流。
2、内置π型EMI滤波电路,TVS浪涌吸收电压36V,可以应对大部分工业现场干扰信号。
3、接线柱采用铜镀镍冲压件,外壳采用工程阻燃塑料。
4、测量信号和范围可以通过调试电缆,从手机上(或调试设备)修改相应参数。
5、电路内置断线检测功能,输入信号线断开则输出电流<3.5mA。
6、变送模块使用两线制环路供电,在环路中实际取电5~30V。
7、实际取电小于9V就会影响变送精度,小于5V就无法工作;实际取电大于30V则有可能触发TVS保护导致供电环路电流过大。
8、采用MCU,24bitADC采样,实际测量精度0.05%;

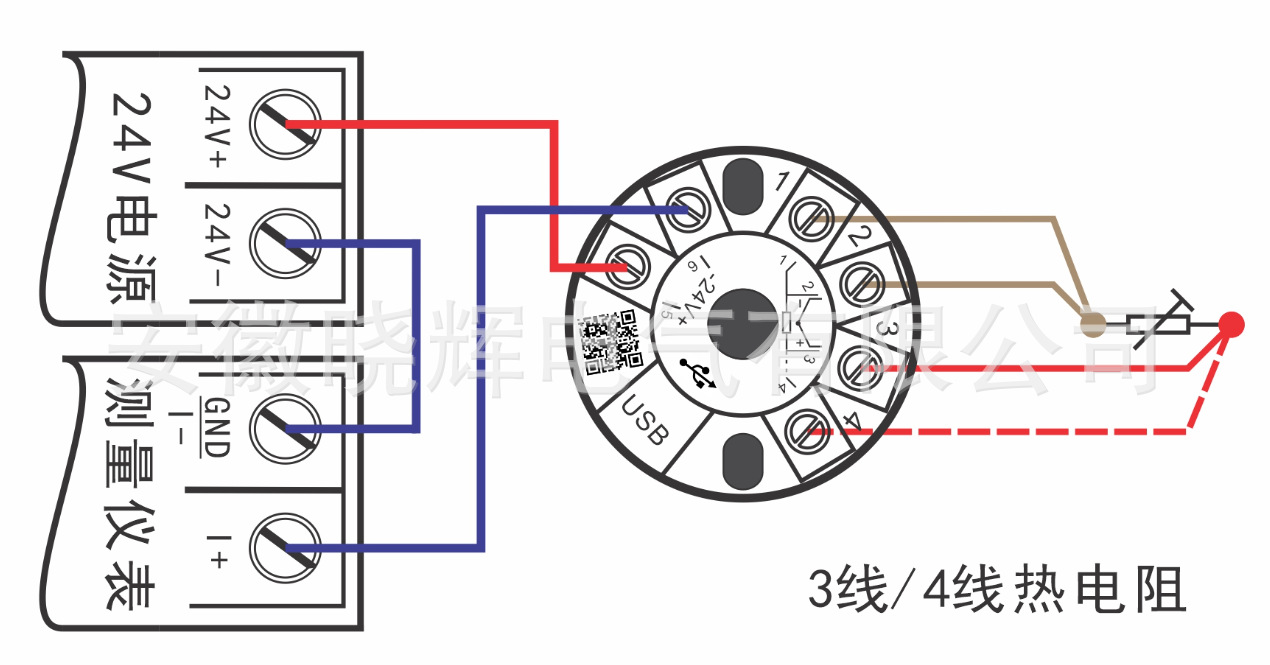
三、温度变送器接线:

a)1号接线柱和2号接线柱分别为24V电源正负极,线路板带防反接功能。
b)热电阻连接支持二线制、三线。连接方式如上图所示,实线为传感器引出线,虚线为短接线,需要用户自行用短导线连接(出厂时也可按客户需要在内部短接好)。
c)热电偶正极连接3号接线柱,负极连接4号接线柱即可。
四、温度变送器软件使用方法:

a)安装USB通讯线驱动和程序运行环境;
b)通讯线一端接电脑USB接口,另一端接在智能模块上,无需24V供电;
c)双击“4-20ma智能温度变送器配置管理”文件进入设置软件;
d)点击串口号下拉表选择连接线对应的串口号,点击确定;
e)点击左上角的组态设置就可以进行组态设置。
五、温度变送器安装使用须知及注意事项:
a)仪表储藏与使用适宜在环境温度为-30℃~80℃,湿度小于80%的场合;
b)上位机使用的USB通讯线为我公司定制,请勿使用其他通讯线与模块连接;
c)仪表连接电源时应参照第三节接线方式进行操作,在确认操作无误后方可接通电源进行运行。
d)用户在遵守使用规范的情况下,自出厂日期起,我公司为用户提供保修一年以及技术支持服务。
六、注意事项:
1、该变送电路中,采用了环路取电,供电/测量环路与热电偶丝/热电阻丝并未隔离,不能选用热热电偶丝/热电阻丝与金属保护壳直接焊接在一起的热电偶/热电阻产品,这样的产品很少。否则可能损坏该变送模块或造成测控系统其他故障。
2、因为环路供电,故弱电24V供电电源须与接地维持稳定的电位状态,以防止强电感应干扰。
3、部分开关电源EMI隔离部分安规受限,建议将24V电源负接接地点(或是电源正接地实现负电源系统,但需要测控系统容许)。
七、产品尺寸图:


八、产品照片:






















