产品详情
  • 产品名称:电接点液位计显示控制仪

  • 产品型号:DS-8S-19
  • 产品厂商:其它品牌
  • 产品价格:0
  • 折扣价格:0
  • 产品文档:
你添加了1件商品 查看购物车
简单介绍:
电接点液位计显示控制仪、电接点液位计报警控制仪、​​智能型电接点液位计以显示直观应用于锅炉汽包、汽轮机、冷凝器、高低压加热器、除氧器、蒸发器、水箱、水塔等液面的测量、显示。该机以智能化、小型化、性能可靠。并有超限报警输出功能,以确保被测容器的正常工作。
详情介绍:

一、概述:
      电接点液位计显示控制仪、电接点液位计报警控制仪、智能型电接点液位计以显示直观应用于锅炉汽包、汽轮机、冷凝器、高低压加热器、除氧器、蒸发器、水箱、水塔等液面的测量、显示。该机以智能化、小型化、性能可靠。并有超限报警输出功能,以确保被测容器的正常工作。
二、特点:
1.电接点测量采用低压小电流供电方式。
2.该机电路采用89S52单片机为主,具有体积小,重量轻,耗电省,性能可靠。
3.该机采用高亮度双色LED光柱显示模拟液位(有液位为绿色;无液位为红色),直观清晰;同时设有数字液位显示。
4.该机具有自动告警电路,采用声光报警以示液位超过正常位置。
5.该机配备上、下限各三组继电器触点,供用户外接使用;亦可作为开关量输出,以确保被测容器的运行。
6.该机还备有标准直流信号输入和输出接口。可参与调节控制系统,控制被测容器的液位。

三、技术数据:

(一) 显示仪表 (二次仪表)

1.产品型号:

undefined

  液位仪     标尺型号   汽包 高加  除氧器      安装方式

标尺型号:见附表;

安装方式:Z----竖式安装; H----横式安装;

2. 液体阻值范围:0~500K 仪表出厂时设定至0~150K左右。

3.模拟显示:双色LED光柱显示,配合标尺刻度显示即时液位值。

4.数字显示:对应模拟显示值显示数字值。

5.报警方式:上、下限超过正常液位,被设定的报警点的LED光柱点闪烁,蜂鸣器发声。同时报警继电器触点输出动作。

6.输入方式:a。电接点信号。19点

b.模拟信号。4~20mA;0~10mA;1~5V。

7.模拟信号输出:4~20mA;0~10mA;1~5V。

8.报警输出触点容量:AC220V,3A。

9.电源电压:AC220V±10% 50Hz±1Hz。

10.消耗功率:15VA。

11.仪表工作条件:环境温度 –10℃~+40℃;相对湿度≤ 85%;无腐蚀性气体。

12.仪表外形尺寸:80×160×180mm (竖式);160×80×180mm(横式)

13.仪表开孔尺寸:75×152mm (竖式);152×75mm(横式)

14.电接点液位计显示控制仪采用标准信号输入口输入,可作为其它物理量的显示仪表。

(二) 取样筒(一次仪表)

1.产品型号:

undefined
   取样筒 电极型号     标尺型号 工作压力   连通管通径    连通管间距

电极型号:M—螺纹式;Y—压入式;Z—锥形式。(B型为电极座合金钢材质S为石墨垫圈)

2.工作压力:≤32MPa。

3.工作温度:≤450℃。

4.电接点规格:202M1815: 202M1615; 202Y2012. (612M1815:612Y2012高温高压型)材质:45#碳钢(1Cr18Ni9Ti用户指定订货)。

5.电接点分布:见标尺型号表二。

6. 取样筒: 材质:20#碳钢(不表示)不锈钢304/316#(B表示)(1Cr18Ni9Ti用户指定订货)。

四、产品工作原理:
 本系列液位计由一次仪表(取样筒)和二次仪表(显示仪表)组成。
   由于水和汽的导电性能差异较大,取样筒的作用是将水位变化通过电接点电阻的变化取信号,在液态时由于介质电阻率小,当电接点间加上一电压时流过的电流大;反之未浸入液面下的电接点流过的电流小,这两种状态下流过电流相差很大,可作为一种信号馈送到二次仪表,经CPU处理后,显示及控制输出,以达到显示液位及控制的目的。从而可实现远距离监控。
五、安装与使用及注意事项:
(一)将一次仪表(取样筒)与被测容器用截止阀连接起来,并在取样筒下端安装截止阀和排污 管道。(如图一所示)
(二)二次仪表(显示仪表)的检查和校验
1.准备工作:仪表的输入端子采用36芯接线板,35、36号接电源。20号接电阻箱一端,电阻箱另一端引出一根线。阻值的大小视被测介质的水质而定,一般情况下如被测介质为除盐水(例如锅炉汽包的水)可选取100K,如被测介质为自来水可选取10K,如没有电阻箱亦可用相应的电阻代替。
2.接通电源:LED光柱显示红色,然后将电阻箱另一端引出线分别短接1~19号端子,模拟光柱以次变绿色,数码管对应显示液位位置的数值,以示仪表可正常工作。
3.报警位置:分别断开或短路设定报警点位置,测量、观察报警点是否正常,触点输出是否动作。
(三)一次仪表与二次仪表的接线示意图,如图二所示。
(四)报警、保护触点输出,用户可根据需要加接中间控制装置。
(五)对取样筒每班应排污一次,方法如下:
1.按一下“排污”按钮;
2.先关闭下连通管截止阀,再关闭上连通截止阀,然后打开排污阀进行排污;
3.关闭排污截止阀,打开下连通管截止阀对电接点进行冲洗,再一次关闭下连通管截止阀,打开排污截止阀进行排污;
4.关闭排污截止阀,先打开上连通管截止阀,然后打开下连通管截止阀,至此整个排污工作结束。
5.按一下“复位”按钮,仪表进入正常运行。
(六)仪表报警发声时,按一下“消音”按钮,蜂鸣器止声
(七)取样筒电极:应定期排污检查,以免造成假液位;仪表正常运行时电极密封如有泄漏属正常现象(电极密封材料通过高温高压变化,)如有泄漏.损坏应及时二次拧紧或更换密封圈和电极,确保仪表的正常工作。 。
(八) 机内W1电位器为水阻调节电位器。仪表出厂时调整在≤150K左右。
(九)配备自供电源的请将机内JX短接。
(十)使用模拟信号输出时应加接信号隔离器。

(十一)其他说明

1、本仪表一次表(取样筒)安装后,在锅炉铸炉时,请关上、下连通管截止阀,以免测量电极被污染及损坏,引起误差。待锅炉清洗结束后,打开截止阀,仪表投入正常使用。正常运行时,如有电极泄漏需二次拧紧或更换密封垫圈。
2、本仪表一次表(取样筒)的电极绝缘体为氧化铝(陶瓷)材料,是易损部件,在重力作用下容易断裂,在安装时应避免重力敲击电极。使用时间仪表出现显示异常,因及时更换电极(电极和密封垫圈非保质部件,用户自理)。更换电极时应关闭上下连通阀,待温度下降后再更换,以免高温时电极螺纹变形,引起电极座滑丝。
3、不要任意参改工厂设定参数,如确要参改,请专业仪表人员仔细阅读本说明书后,按照仪表设定步骤进行参数的设定。(F01~F04,F13~F33不必修改),用户一般对报警位置可根据实际使用条件进行适当修改,(F05-高水位、F06-高水位保护、F07-高水位报警、F08-低水位报警、F09-低水位保护、F10-低水位)。
六、订货须知:
1.订货前请用户详细阅读说明书或产品简介。
2.提供测点分布(指表二范围之外的)。
3.指明报警、保护输出位置(特别设定)。
4.明确一次仪表(取样筒)工作压力,上下连通管中心距离尺寸,引出法兰规格。
5.本仪表可带4~20mA,1~5V,0~10mA直流信号输出,用户需要请在订货时注明。
6.仪表电源供电电压为AC110V或AC380V时请说明。
7. 如本仪表安装在现场可提供现场仪表安装箱及取样筒防护罩,用户需要请在订货时注明。
七、仪表常见故障分析:

故障现象

故障原因

排除方法

仪表无显示

无交流电源输入

仪表内无电源输出

检查交流电源(220V)输入和仪表内保险丝。

检查仪表内电源变压器有无交流输出;

检查集成稳压电路W7805+5V)、W7812+12V)有无输出

显示出现假液位

取样筒电接点脏、坏

对应的输入电路损坏

CPU 芯片损坏

卸下擦洗或更换电接点。

更换相应电路的元器件。

更换芯片。

数显不准(缺笔

段)

显示驱动电路坏

数码管损坏

CPU 芯片损坏

更换驱动电路。

更换数码管。

更换芯片。

LED 模拟光柱

不亮

显示驱动电路坏

LED 光柱损坏

CPU 芯片损坏

更换驱动电路

更换LED光柱。

更换芯片。

无报警输出

报警驱动器坏

报警继电器坏

CPU 芯片损坏

更换驱动器。

更换报警继电器。

更换报警继电器。

八、仪表设定及操作:

1、同时按下“试验”和“排污”键,此时仪表数码显示“F34”,仪表进入参数设定状态。
2、单独按“试验”或“排污”键,使数码显示“F34”,按“消音”键确定,数码显示“0”或“1”,按“试验”或“排污”键使数码显示“0”,此时仪表允许修改参数。按“消音”键确定。
3、单独按“试验”键,数值增加;单独按 “排污”键数值减少。单独按“消音”键表示确认。
4.参数修改完毕后,按“复位”键,仪表就在新参数下运行。
九、按键使用说明:
1、“试验”键,仪表正常工作时作为试验用,按此键仪表对数码及模拟显示LED进行扫描一次;修改参数时作为增量键。
2、“排污”键,仪表正常工作时作为排污用,按此键仪表保持原状,改变输入信号不起作用。以免一次仪表排污时误动作;修改参数时作为减量键。
3、“消音”键,仪表正常工作时作为消音用,仪表报警时按此键,蜂鸣器止声。修改参数时作为确认键。
4、“复位”键,仪表正常工作时作为复位用,排污工作结束后按此键,仪表恢复正常工作。
十、参数设定见表(一)
注:开关量为19点时,位置设定点为数字输入点0~18。(F13~F31)
开关量为17点时,位置设定点为数字输入点1~17。(F14~F30)
开关量为15点时,位置设定点为数字输入点2~16。(F15~F29)
开关量为13点时,位置设定点为数字输入点3~15。(F16~F28)
表一、功能码说明

功能码

       

                 

工厂设定

F00

退出设定

 

 

F01

输入信号选择

0:数字(电极)信号输入;1:模拟信号输入

0

F02

数字输入点数

开关量输入点数1113151719

仪表接点输入数

F03

模拟输入信号上限

20mA指示值

300

F04

模拟输入信号下限

4mA指示值

-300

F05

高高高报警点

Ⅲ报警(高水位)

200

F06

高高报警点

Ⅱ报警(高水位保护)

150

F07

高报警点

Ⅰ报警(高水位报警)

50

F08

低报警点

Ⅰ报警(低水位报警)

-50

F09

低低报警点

Ⅱ报警(低水位保护)

-150

F10

低低低报警点

Ⅲ报警(低水位)

-200

F11

水泵控制上限

停止水泵位置点

30

F12

水泵控制下限

启动水泵位置点

-30

F13

数字输入点:0

19点高水位

300

F14

数字输入点:1

17点高水位

250

F15

数字输入点:2

15点高水位

200

F16

数字输入点:3

13点高水位

150

F17

数字输入点:4

11点高水位

100

F18

数字输入点:5

 

75

F19

数字输入点:6

 

50

F20

数字输入点:7

 

30

F21

数字输入点:8

 

15

F22

数字输入点:9

 

0

F23

数字输入点:10

 

-15

F24

数字输入点:11

 

-30

F25

数字输入点:12

 

-50

F26

数字输入点:13

 

-75

F27

数字输入点:14

11点低水位

-100

F28

数字输入点:15

13点低水位

-150

F29

数字输入点:16

15点低水位

-200

F30

数字输入点:17

17点低水位

-250

F31

数字输入点:18

19点低水位

-300

F32

DAC-4mA

输出调零(4mA

44

F33

DAC-20mA

输出调满(20mA

222

F34

参数设定锁定

0:允许修改参数;1:不允许修改参数

1

 undefined

                               图一 一次仪表安装图

注:DS-8S-19A(19点显示),S1为低水位,依此类推,S19为高水位。

undefined

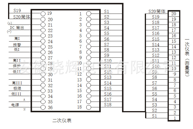
                         图二 二次仪表与一次仪表端子接线图

注:DS-8S-19A(19点显示),S1为低水位,依此类推,S19为高水位。
DS-8S-17A(17点显示),S1为低水位,依此类推,S17为高水位。S18,S19不接线
DS-8S-15A(15点显示),S1为低水位,依此类推,S15为高水位。S16,S17,S18,S19不接线
DS-8S-13A(13点显示),S1为低水位,依此类推,S13为高水位。S14,S15,S16,S17,S18,S19不接线
S20为筒体

undefined
undefined

表二、标尺型号undefined

注:1.如用户需其他标尺,请在定货时注明.
      2.表中上、下限报警点位置为仪表出厂时设定,用户可根据说明书按需要任意设定.

十一、产品照片:

undefined

6
81undefined
undefinedundefined
undefined
undefined
undefined
11
undefined

undefined
undefined
undefined
undefined

undefined

undefined




 

 

 

 

  

 


标题:
内容:
联系人:
联系电话:
Email:
公司名称:
联系地址:
 
 
注:1.可以使用快捷键Alt+S或Ctrl+Enter发送信息!
2.如有必要,请您留下您的详细联系方式!
Baidu
map